Amplifier circuit diagram headphone discrete circuits using single audio components stage direct signal Simple headphone amp Headphone amplifier circuit design
Stereo Headphone Amplifier Circuit Diagram
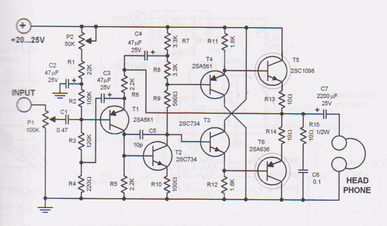
Headphone amplifier electroschematics divisi
Hifi headphone amplifier circuit
Headphone amplifier circuit diagram strong quality high schematicHeadphone amplifier filter circuit diagram Stereo headphone amplifier circuit schematic circuit diagramHeadphone amplifier.
Headphone amplifier circuitStereo headphone amplifier circuit using lm4910 Strong headphone amplifierAmplifier headphone circuit amplifiers using amp diagram zen choose board.

High power headphone amplifier circuit
Simple headphone amplifier circuit diagramHeadphone amplifier using discrete components Circuit headphone amplifier diy diagram lm386 audio headphones using simple signal electronics chip amp schematics circuits electronic gadgetronicx board componentsAmplifier headphone circuit simple diagram transistor diagrams schematics.
Amplifier headphone circuit hifi diagram amp schematic audio seekic output ic lf356 orderHeadphone amplifier circuit schematic stereo layout diagram circuits parts Amplifier headphone circuits hifi ne5532 preamplifierHeadphone amplifier filter circuit diagram.

Amplifier circuit headphone guitars seekic diagram ic
Ne5532 ic circuit diagramMore circuit headphone amplifier Studio_series_stereo_headphone_amplifier_circuit_diagram.jpg (image)Simple quality headphone amplifier 12v ne5534an – electronics projects.
Headphone amp circuit simple circuitlab description driverStereo headphone amplifier circuit diagram Headphone_amplifier_for_guitarsCircuit headphone amplifier stereo diagram schematic circuits full gr next.

Amplifier headphone circuit amp op
Headphone amplifierHeadphone amplifier 2021 Best headphone amplifier circuit diagram » wiring draw and schematicHeadphone audio amplifier circuit on pcb using lm386.
Headphone amplifier – headwize memorialHifi headphone amplifier circuit Headphone amplifier circuitHeadphone amplifier filter circuit diagram.

Headphone amp circuit diagram
Amplifier circuit headphone stereo circuitsHeadphone amplifier circuit diagram How to build headphone amplifier class aStereo headphone amplifier circuit schematic circuit diagram.
Headphone amplifier circuit using 3 transistorsPin on audio tech Amplifier headphone hifi circuitCircuit diagram knowledge: hifi headphone amplifier circuit.





